Feedback
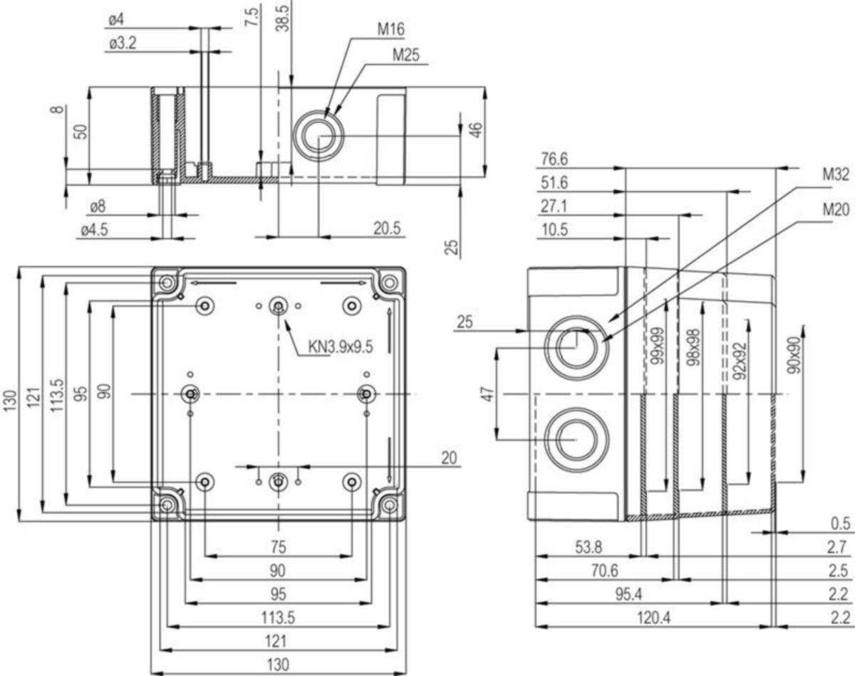
FIBOX MNX PCM polykarbonaattiasennuskotelot metrisillä läpivientiaihioillaFibox PCM (polycarbonate metric) on sarja MNX-asennuskoteloita, joissa on metriset läpivientiaihiot. Kehitetty erityisesti metristen läpivientien ja kumitiivisteiden standardien ja normien mukaisesti.Täydellinen kotelointijärjestelmä sovelluksiin, jotka vaativat kestävyyttä, toiminnallista muotoilua ja optimaalisia asennusmahdollisuuksia – jopa vaativissa ja altistuvissa ympäristöissä. Niin monilla variaatioilla ja lisävarustevaihtoehdoilla, että asiakaskohtaiset ratkaisut ovat laajasti mahdollisia vakiomallien pohjalta. Siksi PCM on tulevaisuuden asennuskotelo. Aito FIBOX-ratkaisu – valitse siis PCM seuraavan kerran, kun tarvitset asennuskoteloita metrisillä läpivientiaihioilla.FIBOX MNX koteloiden eri variaatiot; polykarbonaatti- ja ABS kotelotMNX-kotelosarja edustaa helppokäyttöisyyttä ja toiminnallisuutta. MNX kestää kovaa käyttö ja kriittisiä katseita. Suunniteltu automaatiolle, ohjaus- ja valvontalaitteille. MNX polykarbonaatti- ja ABS-koteloiden tiiviste istuu kotelossa kuin valettu; edistyksellisen kaksikomponentti-valmistustekniikan ansiosta tiiviste puristetaan paikalleen jo muotissa.MNX PCM polykarbonaattikotelo, 130x130x75, metriset läpilyöntiaihiot, harmaa, alaosa TPE-tiivisteellä, 4 kpl ruuvit asennuslevylle/DIN-kiskolle, 4 kpl polyamidi kansiruuvia, IP66/67, IK08Tuote: Tuotekuvaus : Kotelo PC, metrinen Lisätieto : Harmaa kansi Pakkausyksikkö : 8 Yksikkö : Kpl Mitat : Pituus (mm) : 130 Leveys (mm) : 130 Korkeus (mm) : 75 Materiaalit : Materiaali : Polykarbonaatti Alaosan väri : RAL_7035 Kannen väri : RAL 7035 -light grey Tiivistemateriaali : TPE Lämpötilat : Lämpötila °C (pitkäkestoinen) : -40 … 80 Luokat : Standards EN 62208:2011, IEC 62208:2011 Tiiviysluokka (EN 60529): IP66IP67 Iskunkestävyys (EN 62262): IK08 Sähköeristys : Suojaeristetty Halogenivapaa (DIN/VDE 0472, osa 815) : Kyllä UV kestoisuus : UL 746C Paloluokka : UL 94 V0 Hehkulankatesti (IEC 60695): 960C
- Tuotenumero 3421636
- Toimittajan tuotenumero: 6016308
- EAN koodi: 6418074038043
- Materiaaliluokka S3407B
Tekniset tiedot
- Pakkauskoot: 1 KPL/8 KPL
- Materiaali: muovi
- Leveys: 130 mm
- Korkeus: 130 mm
- Syvyys: 75 mm
- Ikkunallisella ovella: ei
- Asennuslevyllä: ei
- Väri: harmaa
- RAL-numero: 7035
- Kotelointiluokka (IP): IP67
- Sopii metriseen järjestelmään: kyllä
- Soveltuu ulkoasennukseen: kyllä
- Pintamateriaali: käsittelemätön
- EMC-versio: ei
- Asennuslevyn asennussyvyys aseteltavissa: ei
- Ovien lukumäärä: 1
- Lukkojen lukumäärä: 0
- Takaovella: ei
- Tuulettavalla ovella: ei
- Iskunkestävyysluokka: IK08
- Materiaalin laatu: muu
- Pylväskiinnitys: ei
- Viistokatto: ei
- Uppoasennukseen: ei
- Irrallinen: kyllä
- Lattialle asennettava seinämalli: ei
- Kulmamalli: ei
- Yhteenkytkettävissä: ei
- Seinäasennus: kyllä
- Tilapäisasennus: kyllä
- Läpivientireikien määrä: 8
- Läpilyöntiaihio: kyllä
- Ovella: ei
- Kansikappaleella: kyllä
- Läpinäkyvä kansi: ei
- Soveltuu ulkokäyttöön: kyllä


