Feedback
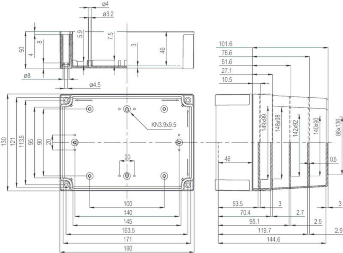
FIBOX MNX ABS termoplastinen polymeeriasennuskotelotMNX ABS (Acrylonitrile Butadiene Styrene) on sarja MNX-asennuskoteloita, PCM ja PC koteloiden lisäksi.Täydellinen kotelointijärjestelmä sovelluksiin, jotka vaativat kestävyyttä, toiminnallista muotoilua ja optimaalisia asennusmahdollisuuksia – jopa vaativissa ja altistuvissa ympäristöissä. Niin monilla variaatioilla ja lisävarustevaihtoehdoilla, että asiakaskohtaiset ratkaisut ovat laajasti mahdollisia vakiomallien pohjalta. ABS on materiaaliltaan hyvä kemiallisessa kestävyydessä, kestäen hyvin monia eri kemikaaleja. Polykarbonaattiin verrattuna, ABS on myös edullisempi vaihtoehto.FIBOX MNX koteloiden eri variaatiot; polykarbonaatti- ja ABS kotelot MNX-kotelosarja edustaa helppokäyttöisyyttä ja toiminnallisuutta. MNX kestää kovaa käyttö ja kriittisiä katseita. Suunniteltu automaatiolle, ohjaus- ja valvontalaitteille. MNX polykarbonaatti- ja ABS-koteloiden tiiviste istuu kotelossa kuin valettu; edistyksellisen kaksikomponentti-valmistustekniikan ansiosta TPE-tiiviste puristetaan paikalleen jo muotissa. Osassa koteloista on käytössä myös polyuretaanitiiviste (PUR).Mitat valikoimassa, KxLxS: 100*100*35 mm - 360*255*150 mm. PC: IP 66/IP 67; IK 08; NEMA 1, 4, 4X, 6, 12 and 13; UL 746C 5V; UL 508 ABS: IP 66/IP 67; IK 07; NEMA 1, 4, 4X, 6 (12 and 13); UL94HB PC = polykarbonaatti, PCM = polykarbonaatti, metriset läpilyöntiaihiot, ABS = akryylinitriili-butadieeni-styreeni G = Grey, harmaa, T = Transparent, savunharmaa läpinäkyvä kansi L = Low, matala alaosa, H = High, korkea alaosa, XH = Extra High, extra korkea alaosa (PC-koteloissa), X = Extra high, extra korkea alaosa (PCM-koteloissa)Tuote: Tuotekuvaus : Kotelo ABS-muovi Lisätieto : Korkea alaosa, harmaa kansi Pakkausyksikkö : 4 Yksikkö : Kpl Mitat : Pituus (mm) : 180 Leveys (mm) : 130 Korkeus (mm) : 75 Materiaalit : Materiaali : ABS-muovi Alaosan väri : RAL_7035 Kannen väri : RAL 7035 -light grey Tiivistemateriaali : TPE Lämpötilat : Lämpötila °C (pitkäkestoinen) : -40 … 60 Luokat : Standards EN 62208:2011, IEC 62208:2011 Tiiviysluokka (EN 60529): IP66IP67 Iskunkestävyys (EN 62262): IK07 Sähköeristys : Suojaeristetty Halogenivapaa (DIN/VDE 0472, osa 815) : Kyllä Paloluokka : UL 94 HB Hehkulankatesti (IEC 60695): 650C
- Tuotenumero 3420553
- Toimittajan tuotenumero: 6081314
- EAN koodi: 6418074022943
- Materiaaliluokka S3407B
Tekniset tiedot
- Pakkauskoot: 1 KPL/4 KPL
- Materiaali: muovi
- Leveys: 130 mm
- Korkeus: 180 mm
- Syvyys: 75 mm
- Ikkunallisella ovella: ei
- Asennuslevyllä: ei
- Väri: harmaa
- RAL-numero: 7035
- Kotelointiluokka (IP): IP67
- Sopii metriseen järjestelmään: kyllä
- Soveltuu ulkoasennukseen: ei
- Pintamateriaali: käsittelemätön
- EMC-versio: ei
- Asennuslevyn asennussyvyys aseteltavissa: ei
- Ovien lukumäärä: 1
- Lukkojen lukumäärä: 0
- Takaovella: ei
- Tuulettavalla ovella: ei
- Iskunkestävyysluokka: IK07
- Materiaalin laatu: ABS
- Pylväskiinnitys: ei
- Viistokatto: ei
- Kotelointiluokka (NEMA): 4X
- Uppoasennukseen: ei
- Irrallinen: kyllä
- Lattialle asennettava seinämalli: ei
- Kulmamalli: ei
- Seinäasennus: kyllä
- Tilapäisasennus: kyllä
- Läpivientireikien määrä: 0
- Läpilyöntiaihio: ei
- Ovella: kyllä
- Kansikappaleella: kyllä
- Läpinäkyvä kansi: ei


